PTSSP6-AW 6 kg~60 kg 300 x 300 mm czujnik jednopunktowy ze stali nierdzewnej
| Dostępność: | W magazynie |
| Producent: | PT |
Skontaktuj się z nami
PTSSP6-AW to jednopunktowy czujnik siły tensometryczny ze stali nierdzewnej. Zaprojektowany do produkcji prostych, mniejszych wag stołowych i platformowych o wymiarach do 300 x 300 mm i udźwigu do 60 kg.
APLIKACJA:
Małe wagi stołowe i platformowe
Przemysł spożywczy i chemiczny
ZALETY:
Zakres nośności od 6 kg do 60 kg
Kompaktowa konstrukcja, małe wymiary
Możliwość stosowania do wymiarów platformy 300 x 300 mm
Czułość 2 mV/V
Łatwy montaż
Solidna konstrukcja (pod względem nośności)
Konstrukcja ze stali nierdzewnej
Ochrona elektryczna IP68 

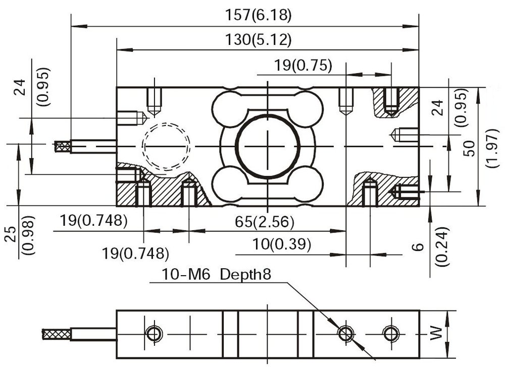
WYMIARY, PARAMETRY TECHNICZNE:
zobacz katalog w formacie pdf do pobrania.

